MẠCH ĐẢO CHIỀU CỬA CUỐN ĐIỆN ÁP 220V
Hiện nay, do nhu cầu sử dụng cửa cuốn tự động hoặc điều kiển cơ đang được sử dụng tương đối phố biến rộng rãi. Để thuận tiện cho người sử dụng khi chế độ điều khiển tự động vì một lý do nào đó như: sự cố phần điều khiển,… thì người sử dụng có thể điều khiển bằng nút ấn cơ để đóng mở cửa theo ý muốn.
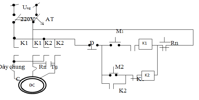
Sau đây là sơ đồ mạch điều khiển và động lực cho chế độ điều khiển cơ của cửa:
.png)
D là nút dừng, M là nút chạy lên, M2 là nút chạy xuống của cửa
- Cuộn công tắc tỏ K1 K2 dùng để đảo chiều cho cửa đi lên hoặc đi xuống
- ĐC là động cơ cuốn cửa 1 pha 220V.











